
- 產品簡介
- 產品性能
- 應用范圍
.png)
.png)
北京恒瑞宏晟機電設備有限公司是一家從事風機及工控產品銷售的企業(yè),主要提供通風散熱產品和工控系統(tǒng)配件,產品廣泛應用于通風、空調、制冷、供暖、電氣自動化、變頻器、軌道交通、HVAC(FFU/AHU)、空氣凈化、新能源汽車等多個行業(yè)。
.png)
我們與國內外眾多風機品牌和市場保持緊密且長久的合作,在通風散熱領域耕耘多年,目前已獲得ebmpapst,mdexx,wistro, S&P(EMC)等品牌授權代理證書, 并供應Ziehl-Abegg,Cesotec,Ecofit, IKURA,日系臺系等各類名優(yōu)風機產品。
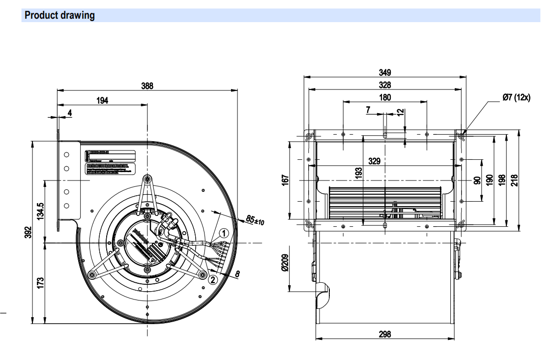
D1G133-AB29-52風量:700m³/h 電壓:24v 電流:5.6A 功率:105W 轉速: 1780r/min
D1G133-AB39-52風量:700m³/h 電壓:48v 電流:2.8A 功率:105W 轉速: 1780r/min
D1G133-DC13-52風量:1020m³/h 電壓:24v 電流:6A 功率:118W 轉速:1580r/min
D1G133-DC17-52風量:1020m³/h 電壓:48v 電流:3A 功率:118W 轉速:1580r/min
D1G146-AA19-52風量:1000m³/h 電壓:24v 電流:5.1A 功率:105W 轉速:1250r/min
D1G146-AA33-52風量:1000m³/h 電壓:48v 電流:2.6A 功率:105W 轉速:1250r/min
D1G160-DA19-52風量:980m³/h 電壓:24v 電流:5.6A 功率:112W 轉速:1250r/min
D1G160-DA33-52風量:980m³/h 電壓:48v 電流:2.9A 功率:112W 轉速:1250r/min
更多型號請咨詢客服,北京恒瑞宏晟專業(yè)風機十二年,海量庫存,型號齊全,一站式采購基地,歡迎咨詢!









